


EAGLE JACK SDL-F直行搬运小坦克优势:
◀其高度为钢制类型中最低的级别——55毫米
◀通过三维CAD进行的强度计算,以及采用实机配重进行的模拟测试,实现了极致的轻量化
◀台面采用耐磨橡胶材质,可紧密贴合并保护所搬运的物体
◀台面可自由旋转,便于调整方向
◀车轮可由用户自行更换
◀由于低床类型全系列机型车轮通用,仅需一种备用车轮即可维护所有机型

EAGLE JACK SDL-F直行搬运小坦克适用于重物搬运、机械设备的运输与安装,以及工厂内的布局调整等场景。

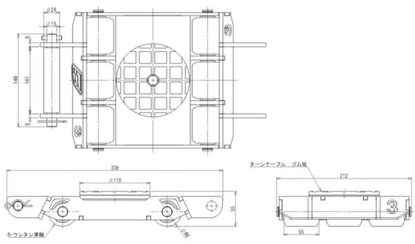
EAGLE JACK SDL-F直行搬运小坦克尺寸图:

EAGLE JACK SDL-F直行搬运小坦克参数:
| 型号 | SDL-20F | SDL-30F |
| 载荷 | 2吨 | 3吨 |
| 本体高度 | 55mm | 55mm |
| 长 | 145mm | 212mm |
| 宽 | 339mm | 339mm |
| 转盘直径 | 110mm | 110mm |
| 转盘孔 | M16 | M16 |
| 聚氨酯车轮直径 | Ø46 | Ø46 |
| 聚氨酯轮宽 | 55mm | 55mm |
| 聚氨酯车轮数量 | 4个 | 6个 |
| 合适的操作手柄 | SH-05 | SH-05 |
| 自重 | 5kg | 6.5kg
|
注意:由于EAGLE JACK SDL-F直行搬运小坦克不断升级,如有参数变动,恕不另行通知,以实物为准。

EAGLE JACK SDL-F直行搬运小坦克为日本原装进口产品,保质12个月,我公司承诺凡是客户在我公司定购的进口类产品均为原装正品,绝不存在拆件货,换件货,假冒品牌产品,凡客户从我公司定购EAGLE JACK SDL-F直行搬运小坦克如收到货物时发现有拆件货,换件货,假冒、假货仿货均以100倍金额赔偿。
注意:不论EAGLE JACK SDL-F直行搬运小坦克产品出现上述哪种问题,客户需要提供清楚的故障视频以及产品故障图片,并说明使用方式。