
LSHQ型气动葫芦核心优势:
◀防爆:气动驱动,从根本上杜绝电火花,适用于易燃易爆环境
◀高效高速:支持无级变速,速度可达电动葫芦的2-3倍
◀坚固耐用:历经400小时疲劳测试,故障率低
◀安全可靠:具备过载保护和断气防坠保护双重安全机制
◀环境适应性强:无惧潮湿、高粉尘、腐蚀性环境,稳定运行
◀结构优势:气动马达不发热,具备防尘、防水、耐腐蚀特性,可在潮湿、多粉尘环境中稳定运行

LSHQ型气动葫芦定制项目:
可定制镀锌材质以及100级链条、链条长度可加长、铜质上下吊钩

LSHQ型气动葫芦应用领域:
★防爆要求高的行业:石油、化工、煤矿、矿山、军工等
★环境特殊的车间:喷涂车间、制药车间、无尘车间、木材加工、造纸、纺织等
★高效流水线作业:汽车制造、物流仓储、家电生产线等

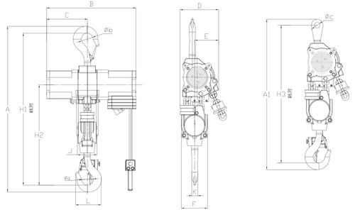
LSHQ型气动葫芦尺寸图:

LSHQ型气动葫芦小规格参数:

LSHQ型气动葫芦小规格型号有:LSHQ-0.25-1、LSHQ-0.5-1、LSHQ-1-1、LSHQ-1-2、LSHQ-2-2、LSHQ-3-1、LSHQ-3-2、LSHQ-5-2
LSHQ型气动葫芦中规格参数:

LSHQ型气动葫芦中规格型号有:LSHQ-6-2、LSHQ-8-2、LSHQ-10-2、LSHQ-12-2、LSHQ-16-2、LSHQ-20-2
LSHQ型气动葫芦大规格参数:

LSHQ型气动葫芦大规格型号有:LSHQ-25-2、LSHQ-30-2、LSHQ-37-3、LSHQ-50-4、LSHQ-75-3、LSHQ-100-4
提示:LSHQ型气动葫芦产品不断升级,当外形与参数变更时,均以实物为准,恕不另行通知。
LSHQ型气动葫芦属于烟台开发区龙海起重工具有限公司旗下品牌产品,保质2年(易损件除外),在产品保质周期内正常使用的情况下出现的质量问题,我公司可提供免费维修、免费更换配件、如因质量问题维修或更换配件仍然不能达到正常使用,可免费更换主机(产品附件以及易损件除外)由此产生的运输,维修费用由我公司承担。非质量问题我公司将收费处理,所产生的运输、维修等费用由客户承担,若客户私自改装,则视为自动放弃质保服务!