


HHH GT手拉单轨行车产品特点:
-手拉链条驱动,沿工字钢轨道下缘移动,可适配不同轨道规格
-与手拉葫芦组合使用

HHH GT手拉单轨行车尤其适用于工厂、矿山、码头、仓库、建筑工地等无电源地点的货物吊运、设备安装

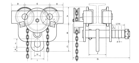
HHH GT手拉单轨行车尺寸图:

HHH GT手拉单轨行车参数:

HHH GT手拉单轨行车有GT1T、GT2T、GT3T、GT5T等型号可供选择
提示:HHH GT手拉单轨行车产品不断升级,当外形与参数变更时,均以实物为准,恕不另行通知。

HHH GT手拉单轨行车为日本原装进口产品,质保12个月,我公司承诺凡是客户在我公司订购的进口类产品均为原装正品,绝不存在拆件货、换件货、假冒品牌产品。凡客户从我公司订购HHH GT手拉单轨行车产品如收到货物时发现有拆件货、换件货、假冒、假货仿货均以100倍金额赔偿。