


DAIKI DUB转向搬运小坦克优势:
◀前轮配备有左右30度的转向功能,可在行进过程中实现流畅的方向转换
◀聚氨酯滚轮的启动阻力最小,在弹性体中强度最高,且不会损伤地面表面,同时兼具优异的耐久性与耐油性


DAIKI DUB转向搬运小坦克适用于工厂、仓库等需要灵活转向的货物搬运,尤其适合对地面保护要求较高的环境

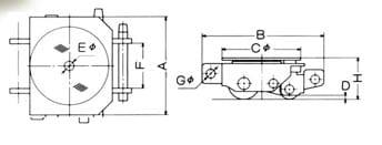
DAIKI DUB转向搬运小坦克参数:
| 型号 | 载荷 | 滑轮(φ×L×個数) | 重量 | A | B | φC | D | E | F | φG | H 高度 |
| 前轮 | 后轮 |
| DUB-2 | 2T | 50×73×2 | 80×80×2 | 18 | 250 | 309 | 200 | 10 | M20 | 114 | 23 | 105 |
| DUB-3 | 3T | 60×80×2 | 100×125×2 | 30 | 300 | 357 | 240 | 13 | M20 | 114 | 23 | 128 |
注意:由于DAIKI DUB转向搬运小坦克不断升级,如有参数变动,恕不另行通知,以实物为准

DAIKI DUB转向搬运小坦克质量保证承诺:
★DAIKI DUB转向搬运小坦克为日本原装进口产品,保质期12个月
★100%原装进口产品,绝无拆件、换件或假冒产品
★如发现产品质量问题,经核实后承诺以100倍金额赔偿
注:客户需提供清晰的故障视频、产品故障图片并说明使用方式以便核实。
欢迎致电咨询DAIKI DUB转向搬运小坦克详细技术参数和价格信息:叶女士:15552252281(微信同号)